?电压互感器的交流耐压试验方法浅析
三倍频发生器做35kV电压互感器感应耐压试验,对变压器、互感器等感应线圈式的电气产品作匝间、段间、层间的备品、倍压试验,以考核线圈的绝缘强度、耐压水平。本文浅要分析电压互感器的交流耐压试验方法。

电磁式电压互感器按运行承受的电压不同,可分为半绝缘和全绝缘电压互感器,半绝缘电压互感器在正常运行中承受相电压,全绝缘电压互感器在正常运行中可以承受线电压。
全绝缘电压互感器是指一次绕组及二次绕组与地间的主绝缘都是按承受100%工频试验电压设计的单相电压互感器,一次高压端为两个端子,故称为全绝缘型。全绝缘电压互感器可以从一次端施加工频电压进行交流耐压试验。
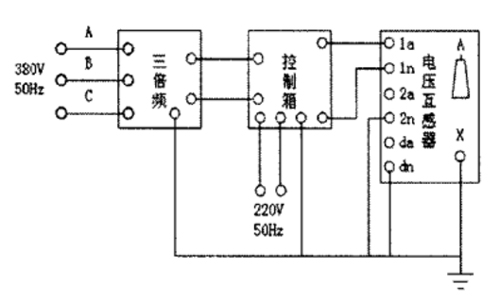
半绝缘型电压互感器是指其一次绕组的一段准备直接接地的单相电压互感器,一次绕组接地端(N端)设计时,靠近二次绕组,其一次绕组与二次绕组及地间的主绝缘承受的电压很低,GB1207-2006标准中要求其短时工频耐受电压仅有3kV(设备高电压Um≥40.5kV时,其短时工频耐受电压为5kV)一次高压端为独立端子,故称为半绝缘型。半绝缘电压互感器就不能从一次端施加工频电压进行交流耐压试验,只能在二次侧做感应耐压试验,多采用三倍频进行感应耐压试验,电压互感器感应耐压试验见下图。

三倍频发生器是利用磁路的饱和特性,取出谐波分量较大的三次谐波电压,作为发生器的电源,对变压器、互感器等感应线圈式的电气产品作匝间、段间、层间的备品、倍压试验,以考核线圈的绝缘强度、耐压水平。
国电中星是三倍频耐压试验装置生产厂家,拥有专业的研发团队,具备大规模生产力,获得众多客户的一致好评,欢迎选购!
上一篇: 三倍频感应耐压发生器应该如何选择?
027-65526006
027-65526007
在线客服