匝间绝缘测试仪的工作原理是什么?
发布时间:2019-09-18
浏览数:2909
继了解了匝间绝缘测试仪的简要介绍之后,大家是不是对匝间绝缘测试仪的工作原理打开了求知欲呢?下面国电中星通过匝间绝缘测试原理简图为大家详细介绍其工作原理。

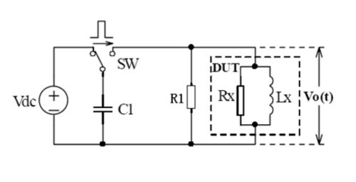
匝间绝缘测试仪需要在不损坏被测件的条件下测试其电气性能,首要条件是能在短暂的瞬问判别线圈的品质。测量时将与标准线圈测量时同样的脉冲通过电容器放电施加于被测线圈,由于线圈电感量和Q值的存在,构成一个RLC并联谐振回路,将产生一个对应于该放电脉冲的电压衰减波形,比较该衰减波形的某些特征,可以检测线圈匝问和层间短路及圈数和磁性材料的差异,通过施加一个高电压脉冲,根据出现的电晕或层间放电来判断绝缘不良。如图1所示:

图1线圈脉冲测试原理简图
图2典型的线圈自激衰减振荡波形
图2中的自激振荡衰减波形直接和线圈的电感值L及品质因素Q值有着密切的关系,而L值及Q值又和线圈的圈数、制造工艺、是否空心线圈并且还与铁心材料特性又有着不可分割的牵连,施加电压又是高压脉冲电压,因此,当线圈有短路、匝问局部短路或由于绝缘损伤引起的层问或匝问放电现象自然很容易被发现。
国电中星专业生产包括匝间绝缘测试仪在内的各种高压试验设备,产品种类多,型号全,在广大用户中获得良好口碑,欢迎来电咨询!
上一篇:匝间绝缘测试仪的简要介绍
下一篇:匝间绝缘测试方法有几种?
027-65526006
027-65526007
在线客服