工频耐压试验装置的原理图
发布时间:2019-07-18
浏览数:487
工频耐压试验装置有交流和交直流两种,下面国电中星为大家分别介绍工频交流耐压试验装置和工频交直流耐压试验装置。

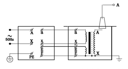
用工频220V(10kVA以上为380V)电源接入操作箱(台)经操作箱内自耦调压器(50kVA以上调压器外附)调节至0-200V(或0-400V)电压输出至10kVA/100kV工频交流耐压试验装置的初级绕组,根据电磁感应原理,在试验变压器高压绕组可获得所需的高电压。
1、单台工频耐压试验装置的工作原理

2、单台工频交直流试验装置的工作原理图

图中高压套管中装有高压硅堆,串接在高压回路中作半波整流,以获得直流高电压。当用一段路杆将高压硅堆短接时,可获得工频高电压,作为交流输出状态;取消短路杆时,作为直流输出状态。
国电中星是工频耐压试验装置厂家,规格齐全,质量优良,广受好评,欢迎选购!
上一篇:工频耐压试验装置的产品结构
027-65526006
027-65526007
在线客服