直流高压发生器的3种测量方法
发布时间:2019-07-04
浏览数:162
直流高压发生器测量时需要生涯至所需电压或电流,对一般试品、大容性试品以及小电容试品的测量方法均有所不同,以下是国电中星总结的3种测量方法。

1、一般测量时当接好线后,先把联接试品的线悬空,升到试验电压后读取空试时的电晕和杂散电流I,然后接上试品升到试验电压读取总电流Ⅰ1;试品泄漏电流:Io =Ⅰ1—I’
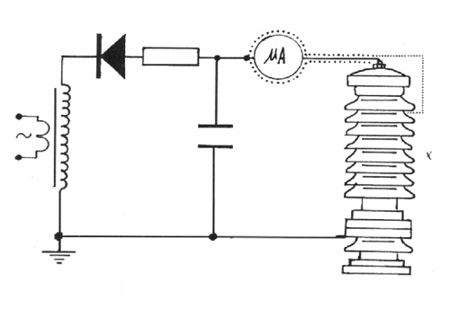
2、当需要精确测量被试品泄漏电流时,则应在高压侧串入高压微安表,如图1

图1 高压屏蔽微安表接入试品Cx侧接线图
高压屏蔽微安表必须有金属屏蔽,应采用屏蔽线与试品联接。高压引线的屏蔽引出应与仪表端的屏蔽紧密联接。如果试品表面污秽要排除试品表面泄漏电流的影响可在试品高电位端用裸金属软线紧密绕几圈后与高压引线的屏蔽相联接,见图2。

图2 排除试品Cx表面影响接线图
3、对氧化锌、磁吹避雷器等试品接地端可拆开的情况下,也可采用在试品的底部(地电位侧),串入电流表进行测量的方式。 但也必须使用屏蔽线,如图3。

图3 微安表接入试品Cx底部的接线图
当要排除试品表面泄漏电流的影响,可用软的裸铜线在试品地电位端绕上几圈并与屏蔽线的屏蔽相联接,如图4

图4 排除试品Cx表面影响接线图
以上就是直流高压发生器测量的3种方法。国电中星是电力测试设备生产厂家,生产的设备有直流高压发生器、串联谐振、超低频高压发生器等多种设备,客户遍布国内外,收获大量好评,欢迎选购!
下一篇:?直流高压发生器检定性能要求
027-65526006
027-65526007
在线客服