变频串联谐振试验接线图解和试验步骤
发布时间:2019-06-13
浏览数:601
变频串联谐振集调压、调频、控制及?;すδ芪惶?,有效地解决了由于电源容量的不足对现场试验的制约。下面国电中星为大家介绍变频式串联谐振试验接线和步骤。

一、变频串联谐振试验接线
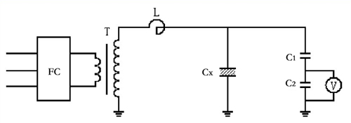
试验接线如下图所示

FC-变频电源;T-励磁变压器;L-谐振电抗器;CX-被试品;C1、C2-电容分压器高、低压臂电容
二、变频串联谐振试试验步骤
1、合理布置试验设备,检查谐振电抗器是否安放稳固。将励磁变、谐振电抗器和被试设备的外壳及分压器接地端接地。
2、试验前应测量被试设备的绝缘电阻,然后按图进行接线,并检查接线和分压器档位。
3、检查试验电源的容量应符合试验要求,先合上试验电源开关,再合上变频电源的控制电源和工作电源开关稳定后合上变频电源主回路开关,设定?;さ缪箇i试验电压的1.1~1.2倍。
4、开始升压,必须按规定的升压速度从零开始均匀地升压,先旋转电压调节按钮,把输出功率比调节到2%或试验电压的3~5%,通过旋转频率调节按钮改变系统频率的大小,观察励磁电压和试验电压的数值。当励磁电压为最小、同时试验电压为最大时,这个时候的频率就是系统的谐振频率。
5、系统谐振后,按要求均匀调节电压值试验电压,升压过程中应密切监视高压回路,监听被试品有何异响,到达试验时间后,将电压降到零,切断主回路、控制回路和工作电源开关,拉开试验电源开关,对被试品放电,试验结束。
国电中星是串联谐振生产厂家,型号规格多,满足客户不同试验需求,不仅如此国电中星还生产多种高压试验设备,产品多价格实惠,获得广大用高性价比的好评,欢迎选购!
上一篇:谐振电路的相关小知识
下一篇:调感式串联谐振试验接线和步骤
027-65526006
027-65526007
在线客服