ZXCBB变压器变比整检装置的检定方法
变压器变比整检装置主要由标准三相 PT 和感应分压器组成,检定时可用高精度的感应分压器对内部各个标准 PT 和感应分压器的每个变比进行检定,以确定其准确度。下文中国电中星为大家介绍ZXCBB变压器变比整检装置的检定方法。

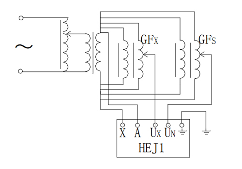
一、感应分压器的检定
用更高等级的感应分压器检定“变比检定装置”的感应分压器线路图如下:

图中 GFS 为高精度感应分压器,GFX 为变比检定装置的感应分压器。其误差不得超过两台感应分压器极限误差之和。校验仪读数应能分辨到 1×10-8。
二、标准三相 PT 的检定
标准三相 PT 是由三个相同的 0.05 级 PT 组成,每个 PT 有两个二次绕阻,供 Z 形组别测试时使用。因此,检定时需对三个 PT 的两个二次绕阻分别检定,以确定是否合格。检定线路与图 3 相同,只是“变比检定装置”的一次端钮在接“A、X”时,二次端钮必须接“a、x”;或“a,、x,”。当二次端钮接 “a、x”时,变比值有三种选择,即通过组别变比开关选择。当二次端钮按“a,、x,”时,标准感分的变比值只能选择 100。在检定上述三个 PT 时,“变比检定装置”的功能选择开关应置于“组别”状态,同时组别选择应在“Y/Y-0”状态。当二次端钮接“a,、x,”时,“变比组别装置”应工作在“Z 形组别”状态,组别选择应是“Y/Z-1”。同理可检定另外两相 PT 的误差。
三、组别的检定
按双电压表法检定组别的方法如下:把“变比检定装置”开关置于“组别”状态,将 A、a 端纽短接,向高压测“A、B、C”施加三相对称电压,然后测 UBb、UCb 、UBc 三个电压值,三相电压值在不同组别时应满足下表的要求。

国电中星生产的ZXCBB变压器变比整检装置畅销于海内外,受到广大用户的高度青睐。国电中星是高压试验设备厂家,设备种类甚多,型号齐全,欢迎选购!
027-65526006
027-65526007
在线客服