变压器变比整检装置的工作原理
变压器变比整检装置是用来检定0.05级及以下变压器变比测试仪的一种装置,主要检定变比测试仪的变比精度、分辨率和组别的正确性。下文中,国电中星将为大家介绍变压器变比整检装置的工作原理是什么。

一、变压器变比整检装置的组成
变压器变比整检装置是由标准三相 PT 和七盘感应分压器两个部分组成。标准三相 PT 用来检定变比组别测试仪的组别测试功能,包括 Z 形组别,同时有三种电压比选择;七盘感应分压器用来检定变比组别测试仪的变比精度和分辨率,也可以单独作为感应分压器使用。
二、变压器变比整检装置的工作原理
(一)检定变比组别测试仪的三相标准 PT 的工作原理如下:
图1中 A、B、C 分别为三相输入,接变比测试仪的一次侧,a、b、c 为三相输出,接变比测试仪的二次侧。在做组别测试使用时,该开关具有三相 PT 的不同组别的选择功能,同时还可选择 Z 形组别。X、Y、Z、x、y、z、a’、b’、c’、x’、y’、z’是在检定本装置的标准三相 PT 的准确度时使用,除此之外,没有其他用途,但相互不能短接。选择开关用来选择组别 Z 形组别的各种组合。

图1
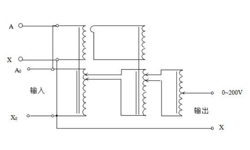
(二)检定变比精度和分辨率的七盘感应分压器工作原理如下:
该部分采用准确度高的两级变压器方式进行设计,克服了并联式多盘感应分压器后盘对前盘负载影响较大的缺点和串联式增加了一项隔离误差且输入阻抗不高的劣势。两级变压器式多盘感应分压器的原理图如图2所示.由图可见,多盘感应分压器由多只两级感应分压器并联组合而成,前一级比例绕组的1/10 段通过双刀开关把某一段电压并联到下一级比例绕组两端,强迫下一盘为上一盘的 1/10 电压。由于有激磁绕组,所以下一盘对前盘的分路影响极小,又消除了隔离误差,所以能获得较高准确度。

图2
国电中星专业生产电力检测设备,生产的ZXCBB变压器变比整检装置,使用方便,性能稳定,质量可靠,给用户非常不错的使用体验,受到广大用户好评。国电中星生产的多种电力测试设备在海内外销量好,欢迎选购。
027-65526006
027-65526007
在线客服